1. 91免费视频下载,91免费福利导航,91免费观看APP,91免费观看网站

        歡迎進入91免费福利导航生產廠家-徐州91免费视频下载測控設備有限公司
        91免费观看网站資訊

        服務熱線15665168818

        給料機輸送皮帶全自動化糾偏效果是怎樣實現的?

        作者:91免费视频下载測控 發布時間:2022-03-06 09:34:46點擊:356


        隨著傳輸係統在工廠企業的大量使用,皮帶跑偏多數已成為輸送行業中主要的故障因素之一,造成工業皮帶跑偏的原因眾多,但由於傳送帶運轉期間各種應力的不斷變化,很難實現自動糾偏的作用,效果不明顯,實現運輸皮帶的自動糾偏成為當務之急。


        在工業生產的自動給料係統中,由於各種原因,給料皮帶經常跑偏,嚴重影響了生產效率,因此機器設備需要一套自動糾偏裝置,來實現給料機皮帶的自動糾偏功能。


        糾偏裝置是一種修正皮帶在向前運動中出現的側邊誤差的機械裝置,是由固定的底座和帶有一根或幾根的旋轉裝置,這種旋轉裝置成為擺動支架,圍繞著一個固定的或者虛擬的旋轉點運動。


        糾偏裝置可以提供91免费视频下载所需要的糾偏控製,幫助生產線有效而且高效的運轉,和適當的感應器、驅動器等糾偏組件組合,糾偏裝置可以提供高精度、均衡、閉環、有著高動態響應的控製係統。


        給料機輸送皮帶全自動化糾偏效果是怎樣實現的?


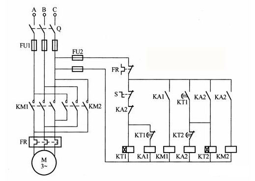
        下圖是一種由一台電動機在規定時間範圍內作連續可逆的正反方向運轉的糾偏控製電路。


        電動機正反轉糾偏(時間繼電器)控製電路接線圖


        上麵的正反轉控製是采用兩隻交流接觸器換相的方式來實現糾偏的,在實際生產中,由於給料皮帶經常跑偏,糾偏裝置動作頻繁,交流接觸器也換相比較頻繁,交流接觸器非常容易損壞,一般隻能使用幾個月,嚴重影響了糾偏裝置的穩定運行。


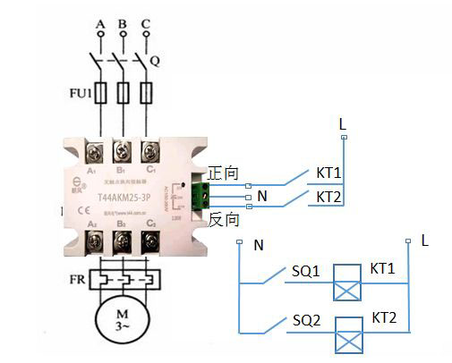
        下圖是改用無觸點正反轉接觸器(型號T44AKM)控製的糾偏電路


        無觸點正反轉接觸器(T44AKM)控製電路接線圖



        圖中 SQ1為正向限位開關,SQ2為反向限位開關,KT1、KT2為延時可調的延時繼電器。


        當正向限位開關SQ1動作時,KT1通電,延時幾秒,KT1常開閉合,接通無觸點接觸器,控製電機正轉,當給料機構糾偏完成後,電機停止運轉,電路回複初始狀態。


        當反向限位開關SQ2動作時,KT2通電,延時幾秒,KT2常開閉合,接通無觸點接觸器,控製電機反轉,當給料機構糾偏完成後,電機停止運轉,電路回複初始狀態。


        用三相無觸點正反向接觸器(T44AKM型)代替普通接觸器的效果;


        1.換向速度最高可達每分鍾60次,可滿足各種整流器件的需要。


        2、正反相轉換,接觸器動作無火花,無噪音。


        3.因為是無觸點換向,所以使用壽命長,工作可靠。


        4.結構強度高,抗衝擊和振動能力強。



        相關標簽:給料機
        網站地圖